3 Jaws
4 Jaws
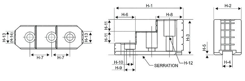
Figure A
Figure B
| Critical Dimensions | (All Dimensions are in mm) | STEEL | |||||||||||||
|---|---|---|---|---|---|---|---|---|---|---|---|---|---|---|---|
| H-1 | H-2 | H-3 | H-4 | H-5 | H-6 | H-7 | H-8 | H-9 | H-10 | H-11 | H-12 | H-13 | Serration Pitch | FIG | Model |
| 54 | 23 | 36 | 10 | 4 | 30 | 14 | 23 | 14 | 9.5 | 16 | M8 | 6 | 1.5mm x 60° | B | SCPL-5C-HJ |
| 75 | 32 | 45 | 12 | 5 | 48 | 20 | 27 | 17 | 11 | 19 | M10 | 7 | 1.5mm x 60° | B | SCPL-6C-HJ (One Step) |
| 75 | 32 | 50 | 12 | 5 | 28 | 20 | 27 | 17 | 11 | 12 | M10 | 12 | 1.5mm x 60° | A | SCPL-6CD-HJ (Two Step) |
| 95 | 35 | 56 | 14 | 5 | 38 | 25 | 35 | 20 | 14 | 15 | M12 | 13 | 1.5mm x 60° | A | SCPL-8C-HJ |
| 100 | 40 | 60 | 16 | 5.5 | 39 | 30 | 35 | 20 | 14 | 15 | M12 | 15 | 1.5mm x 60° | A | SCPL-10C-HJ |
| 105 | 50 | 62 | 18 | 6 | 40 | 30 | 35 | 23 | 16 | 16 | M14 | 21 | 1.5mm x 60° | A | SCPL-12C-HJ |
| 105 | 50 | 62 | 21 | 6 | 40 | 30 | 35 | 26 | 18 | 16 | M16 | 21 | 1.5mm x 60° | A | SCPL-212C-HJ |
| 149 | 62 | 86 | 22 | 8 | 63 | 43 | 52 | 32 | 21 | 20 | M20 | 40 | 1.5mm x 60° | A | SCPL-15C-HJ |
| 165 | 80 | 90 | 25 | 9 | 105 | 50 | 55 | 32 | 21 | 40 | M20 | 55 | 3.0mm x 60° | B | SCPL-21C-HJ |
*We also manufacture Jaws in various pitches i.e. 2 mm x 60°, 2.5 mm x 60°, 3 mm x 60°, 1/16" x 90°, 3/32" x 90° and any other pitch on request.*