6 Jaws Self Centering Chuck
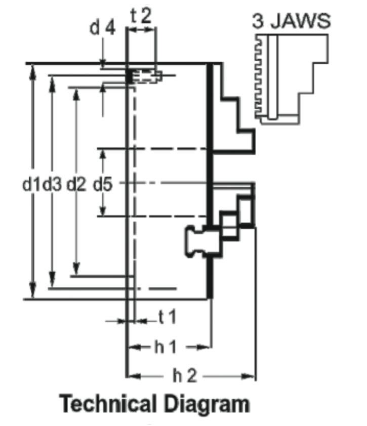
3 Jaws Self Centering Chuck
4 Jaws Self Centering Chuck
| CHUCK | DIMENSIONS | WEIGHT IN Kg. | Max. Dia. which can be held | ||||||||||
|---|---|---|---|---|---|---|---|---|---|---|---|---|---|
| DIAMETER | d 1 | d 2 | d 3 | d 4 | d 5 | h 1 | h 2 | t 1 | t 2 | 3 JAWS | 4 JAWS | IN INTERNAL JAWS | IN EXTERNAL JAWS |
| 100 | 100 | 76 | 83 | 3 X M 8 | 26 | 49 | 68 | 3 | 6 | 2.7 | 3.0 | 20 | 90 |
| 4" | 4" | 3" | 3.26" | -- | 1.02" | 1.96" | 2.67" | 0.11" | 0.23" | -- | -- | 0.78" | 3.54" |
| 165 | 165 | 125 | 141 | 3 X M 10 | 46 | 65 | 90 | 4 | 10 | 9.0 | 9.5 | 40 | 135 |
| 6.5" | 6.5" | 5" | 5.55" | -- | 1.81" | 2.55" | 3.54" | 0.15" | 0.39" | -- | -- | 1.57" | 5.3" |
| 200 | 200 | 160 | 176 | 3 X M 10 | 56 | 76 | 110 | 4 | 10 | 15.3 | 15.9 | 53 | 160 |
| 8" | 8" | 6.3" | 6.92" | -- | 2.20" | 3.0" | 4.33" | 0.15" | 0.39" | -- | -- | 2.06" | 6.29" |
| 250 | 250 | 200 | 223 | 3 X M 12 | 76 | 85 | 125 | 5 | 12 | 25.5 | 27.5 | 70 | 200 |
| 10" | 10" | 8" | 8.77" | -- | 3" | 3.34" | 5.0" | 0.19" | 0.47" | -- | -- | 2.75" | 7.87" |
| 315 | 315 | 265 | 291 | 3 X M 12 | 103 | 85 | 130 | 5 | 12 | 42.7 | 44.0 | 95 | 240 |
| 12.5" | 12.5" | 10.43" | 11.45" | -- | 4" | 3.34" | 5.11" | 0.19" | 0.47" | -- | -- | 3.74" | 9.44" |